Semitool OEM Semsysco SST 531 280 50Wafer

Semitool OEM Semsysco SST 531 280 50Wafer
Contact us for price
or
Call +353 (0) 87 192 1110
Description
Automated wet processing Tool
-Vintage 2012
-Voltage 3x400V+N+PE 35A max
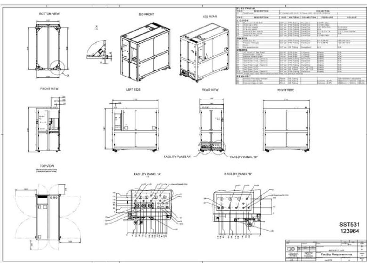
-Dimension 2100x1087x1867mm LxWxH
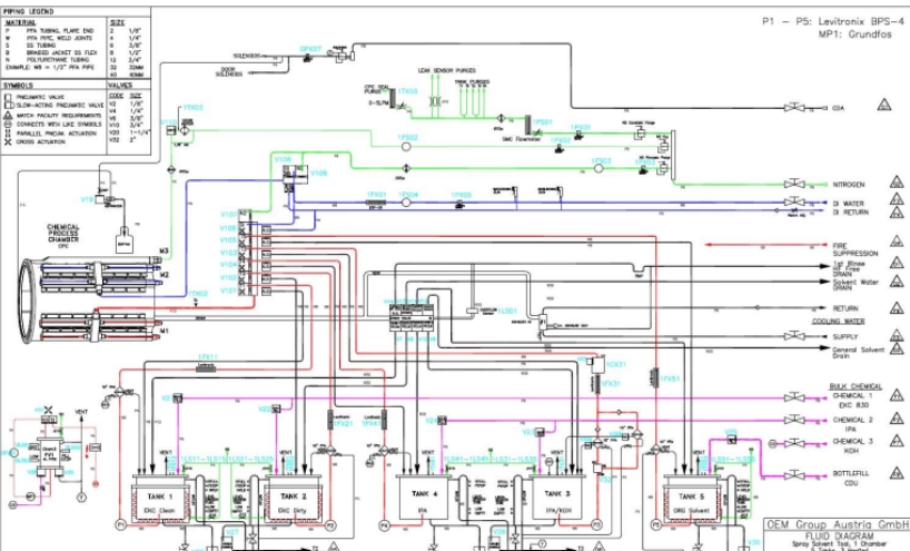
-3 Hetated, 2 Unheated Tanks
-280er Chamber for 50 Wafers 8“
-Tank 1,2 was used for EKC 265, Tank 3,4 for IPA
-Additional tank Nb. 5 for tests, equipped with a
Fillvessel and Metering pump. T5 Supply by external
CDA cabinet.
-2xFume Sensors Bieler+Lang
-5x Levitronix Pumps BSM 4.2 + LC325
-Rotor 50 Wafer for Clampshell
-SECS GEM
Specifications
| Manufacturer | Semitool OEM |
| Model | Semsysco SST 531 280 50Wafer |
| Condition | Used |
| Stock Number | BM6618 |













